Yamaha 85 Outboard Wiring On Motor Yamaha 704 Remote Control Wiring

Yamaha Outboard Motor Wiring Diagram. [DIAGRAM] Wiring Diagram Yamaha Outboard Motor Troubleshoot your outboard starting or ignition system problems with this essential resource Colors listed here may vary with year & model but in general should be a good guide when tracing Yamaha wiring troubles.

Yamaha Outboard Ignition Switch Wiring Diagram Wiring Diagram
Yamaha Outboard Ignition Switch Wiring Diagram Wiring Diagram from wiringdiagram.2bitboer.com

Whether you are performing maintenance, troubleshooting an issue, or making modifications, a wiring diagram is an essential tool to have in your arsenal. Each component plays a crucial role in transmitting electrical current and powering different systems on your boat

Yamaha Outboard Ignition Switch Wiring Diagram Wiring Diagram

We add new wiring diagrams all the time so check back regularly if you can't. It shows the connections between these components and the color codes for the wires. Yamaha outboard wiring diagrams are essential tools for boat owners and mechanics who need to understand the electrical system of their Yamaha outboard motor

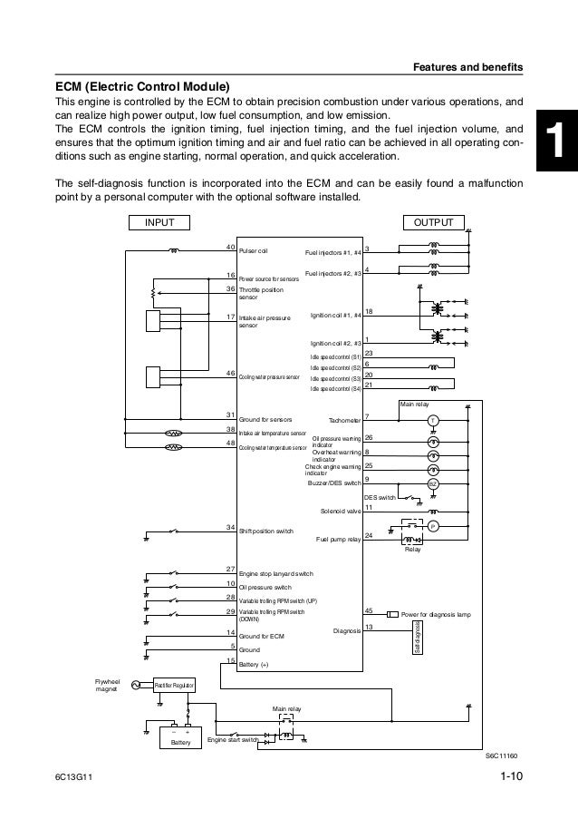
Yamaha Outboard Electrical Wiring Diagram Hadassah Richard. Circuit Diagram Wiring harness routing / Circuit diagram Circuit diagram TIP: The circled numbers in the illustration indicate the engine ECM terminal numbers.. There is an industry-standard set of wire codes in general use by most manufacturers except Yamaha

Yamaha Outboard Electrical Wiring Diagram In pdf or jpg files.. Troubleshoot your outboard starting or ignition system problems with this essential resource Electrical System Components: The electrical system of a.